Industry application
New energy vehicle main invert
Application Overview
New energy vehicle main invert Application Overview

Car power inverter play an extremely important role in electric vehicles. Main converters help convert the direct current of the battery into alternating current with adjustable frequency and amplitude, which is used to drive the motor that controls the wheel speed.


New energy vehicle main invert
Application System Diagram
New energy vehicle main invert Application System Diagram
New energy vehicle main invert
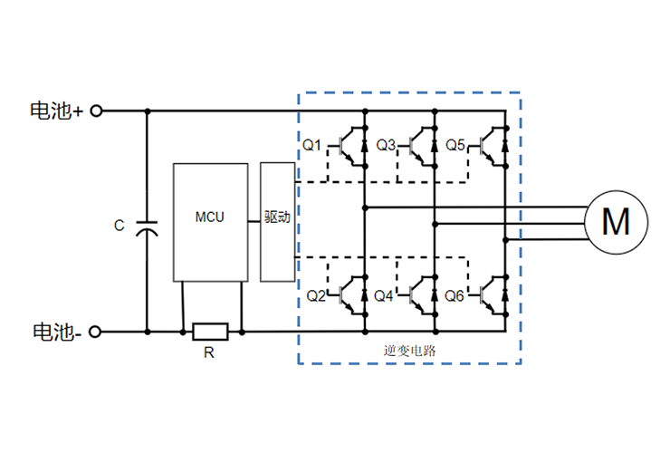
Application Topology Diagram
New energy vehicle main invert Application Topology Diagram
New energy vehicle main invert
Recommended Products

IGBT Modules Product List

Part Number VCE(V) Ic(A)@100℃ Vcesat(V) @25℃
typ
Eon(mJ) Eoff(mJ) Package Datasheet
MPFF600R12MBF M5 1200 600 1.65 118.4 79.2 EconoDUAL 3 Download
MPFF600R12MBF M3 1200 600 2.2 151.3 88.6 EconoDUAL 3 Download
MPFS950R08PBF 750 950 1.45 12 19 HybridPACK Drive Download
MPFS820R08PBF 750 820 1.37 15.6 17.4 HybridPACK Drive Download
MPFS400R08HBFF 750 400 1.43 6.4 10.48 HP1 DC2 平底板 Download
MPFS400R08HBF 750 400 1.45 14.5 31.7 HP1 DC6 Pinfin Download