Industry application
SVG
Application Overview
SVG Application Overview

Energy storage can ensure the stable operation of the power grid, and balance power supply and demand. In the application of the large-scale new energy power generation process, the energy storage system can enable the smooth output of unstable electricity such as photovoltaic and wind power.


Marching Power has become the superior power semiconductor supplier for energy storage solutions (ESS) in terms of efficiency, innovation, performance, and cost. Marching Power can provide SJ MOSFET, SiC products, VD MOSFET, IGBT discrete and IGBT module, as well as highly integrated Easy 3B, Flow 2 and other products to match various energy storage system solutions.


SVG
Application System Diagram
SVG Application System Diagram
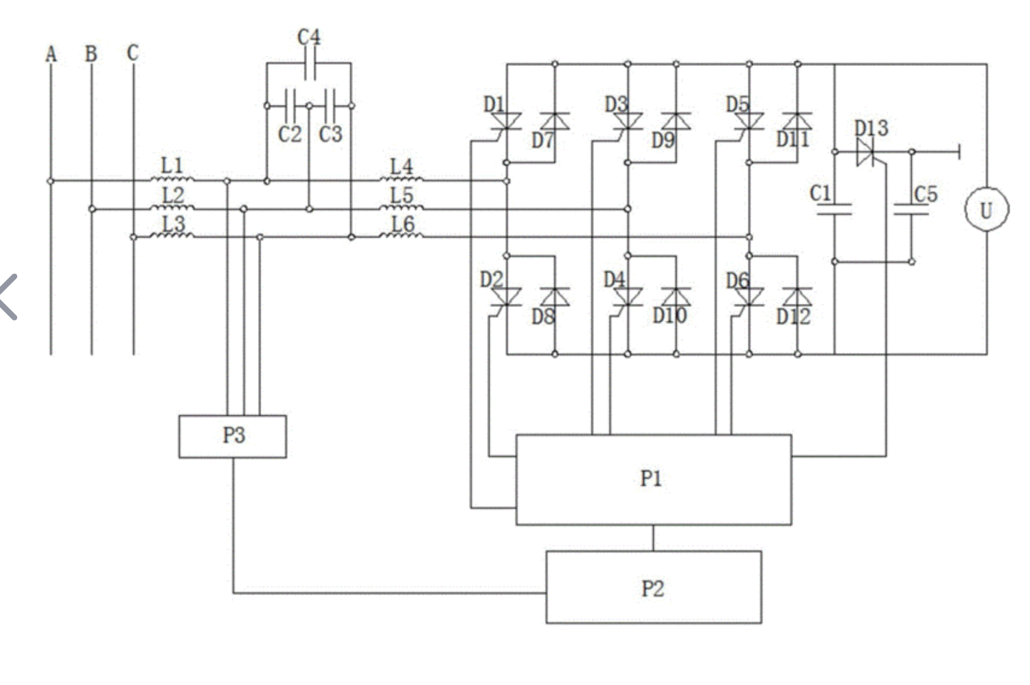
SVG
Application Topology Diagram
SVG Application Topology Diagram
SVG
Recommended Products

IGBT Modules Product List

Part Number VCE(V) Ic(A)@100℃ Vcesat(V) @25℃
typ
Eon(mJ) Eoff(mJ) Package Datasheet
MPFF900R17MNF 1700 900 2.6 931 523 EconoDUAL 3 Download
MPFF600R17MBF 1700 600 2.3 291 169 EconoDUAL 3 Download
MPFF300R17MBF 1700 300 2.17 145.4 124.9 EconoDUAL 3 Download
MPFF75R17RBF 1700 75 2 21.1 20.5 34mm module Download
MPFS50R17CNF 1700 50 1.55 15.9 12.8 EconoPACK2 Download